FAQ

Kann in eine bestehende Kreuz-/Wechselschaltung ein Dimmer integriert werden?

Antwort

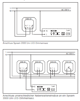
Werden die Kreuz-/Wechselschalter durch einen Tastdimmer und eine entsprechende Anzahl an Nebenstellen ausgetauscht, kann die vorhandene Verdrahtung genutzt werden. Als Nebenstelle kann die Nebenstelle Art.-Nr. 0333 00 oder ein mechanischer Taster (schließer) verwendet werden. Von den Nebenstellen kann gedimmt werden.

Beispiel: Uni-LED-Dimmeinsatz Art.-Nr. 2385 00

Tastdimmer in einer Wechselschaltung

Hinweis: Die Nebenstelle Art.-Nr. 0335 00 findet verwendung, wenn auf dem Dimmer ein Automatikschalteraufsatz verwendet wird.

 

Beispiel: NV-Dimmeinsatz mit Druck-Wechselschalter

Dimmer in einer Wechselschaltung

Hinweis: An den Kreuz-/Wechselschalter wird der Dimmer Ein-/Aus geschaltet

Produkt


Artikelnummer: 2385 00

Hat Ihnen die Antwort weitergeholfen?

Wenn wir Ihnen nicht weiterhelfen konnten, dann nehmen Sie doch Kontakt mit uns auf.