FAQ

Wieviel Adern werden zum Anschluss eines Schlüsselschalters benötigt?

Antwort

Die Anzahl der Adern, die für den Anschluss des Schlüsselschalters verwendet werden, ist abhängig vom jeweiligen Alarmsystem:

  • Anschluss an die Funk-Alarmzentrale (Artikel-Nr. 0345 00): Ohne die scharf/unscharf LEDs werden fünf Adern benötigt (siehe Abbildung).

 Anschluss des Schlüsselschalters an die Funk-Alarmzentrale

Hinweise:

  • Wenn die LEDs angesteuert werden sollen, sind drei zusätzliche Adern erforderlich.
  • Die LEDs können über die eingebauten Vorwiderstände (R1/R2) oder direkt angesteuert werden. Bei direkter Ansteuerung muss die Strombegrenzung bei max. 10mA liegen. Die LED's sind frei belegbar.

 Anschluss der LED

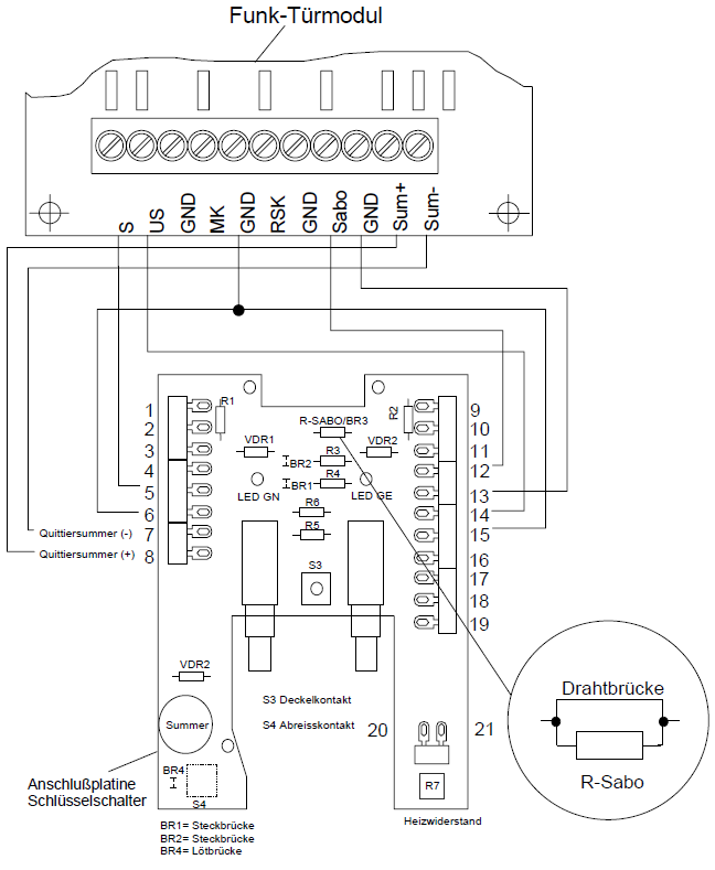
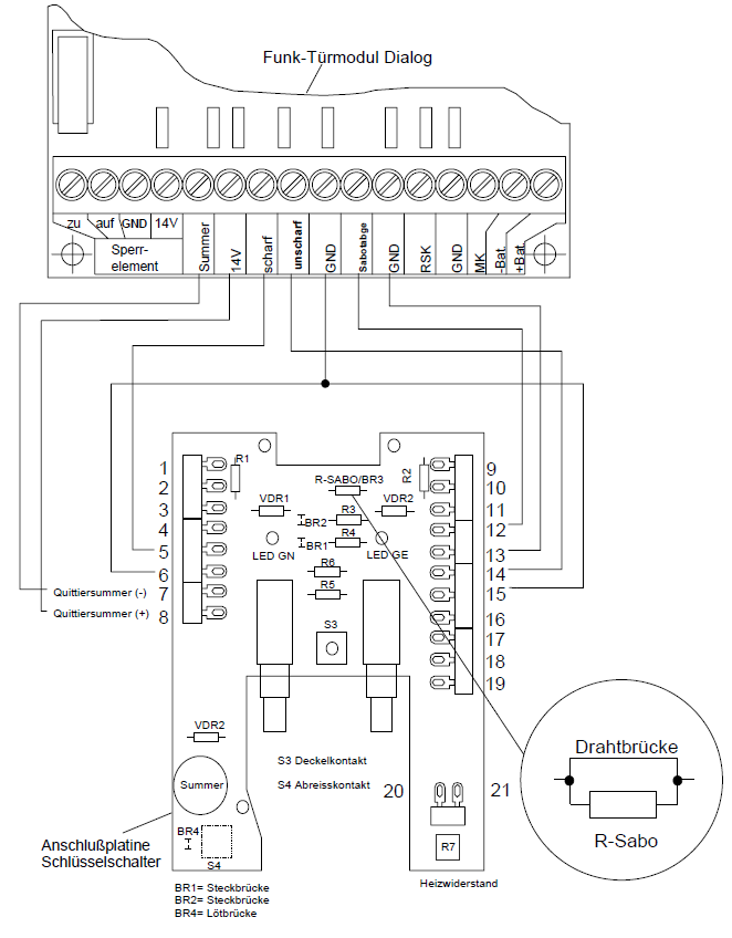
  • Anschluss an das Funk-Türmodul (Artikel-Nr. 0911 00) oder Funk-Türmodul Dialog (Artikel-Nr. 091200, 091218): Ohne den Summer werden fünf Adern benötigt. Wenn der Summer mit angesteuert werden soll, werden sieben Adern benötigt (siehe Abbildungen).

 Anschluss des Schlüsselschalters an das Funk-TürmodulAnschluss des Schlüsselschalters an das Funk-Türmodul Dialog

  • Anschluss an die Alarmzentrale (Artikel-Nr. 0342 00): Ohne den Summer werden vier Adern benötigt. Wenn der Summer mit angesteuert werden soll, werden sechs Adern benötigt (siehe Abbildung).

Schlüsselschalter an der Alarmzentrale

Produkt

Schlüsselschalter/VdS Aufputz (Artikel-Nr. 0134 00)
Schlüsselschalter/VdS Unterputz (Artikel-Nr. 0135 00)
Artikelnummer: 013400

Hat Ihnen die Antwort weitergeholfen?

Wenn wir Ihnen nicht weiterhelfen konnten, dann nehmen Sie doch Kontakt mit uns auf.