FAQ

Wie kann mit dem Regenwächter eine Gruppe von Jalousien zentral heruntergefahren werden?

Antwort

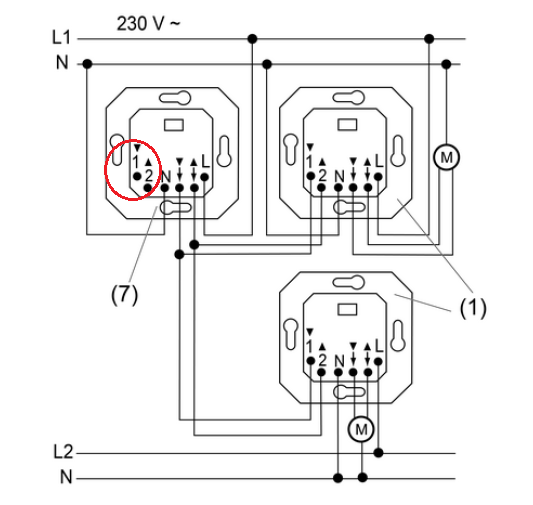
Der Regenwächter kann, wie jeder andere 230 V Geber, auf die Nebenstelleneingänge (1 oder 2)  des Jalousiesteuerung-Einsatzes verdrahtet werden. Hierdurch ist eine Zentral-Ab-Funktion bei Regen realisierbar.

 

Produkt

Regenwächter mit Frostschutz bis -20 °C und Schnee-Erkennung
Einsatz Elektronische Jalousiesteuerung (Bestell-Nr. 0398 00)
Artikelnummer: 0586 00

Hat Ihnen die Antwort weitergeholfen?

Wenn wir Ihnen nicht weiterhelfen konnten, dann nehmen Sie doch Kontakt mit uns auf.