FAQ

Welche Komponenten werden benötigt, um eine Zentralsteuerung mit Vor-Ort-Bedienung für mehrere Jalousien zu realisieren?

Antwort

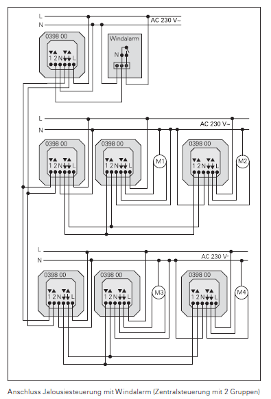
Für jede Jalousie wird ein Jalousiesteuerungs-Einsatz mit Nebenstelleneingang (Artikel-Nr. 039800) montiert und z-B. mit einem Steuertaster-Aufsatz (Artikel-Nr. 2324 xx) oder einem anderem Aufsatz (ausser der elektronischen Jalousiesteuerung easy Artikel-Nr. 0841 xx) aus dem Gira Jalousiesteuerungs-System bestückt. Der Zentralbefehlsgeber besteht aus dem Jalousiesteuerungs-Einsatz ohne Nebenstelleneingang (Artikel-Nr. 039900) und einem dazu passenden Aufsatz, z.B. der elektronischen Jalousiesteuerung (Artikel-Nr. 1308 xx). Soll jedoch für die Jalousie eine Sicherheitsfunktion über den Einsatz eines Wind- und/oder Regenwächters realisiert werden, muss statt des Jalousiesteuerungs-Einsatzes ohne Nebenstelleneingang ein Einsatz mit Nebenstelleneingang (Artikel-Nr. 1309 xx verwendet werden. Die Auf- und Ab-Ausgänge des zentralen Befehlsgebers werden mit den Nebenstelleneingänge 1 und 2 der Vor-Ort-Jalousiesteuerung verdrahtet.

Produkt

diverse Artikel
Artikelnummer: xxxxxx

Hat Ihnen die Antwort weitergeholfen?

Wenn wir Ihnen nicht weiterhelfen konnten, dann nehmen Sie doch Kontakt mit uns auf.