FAQ

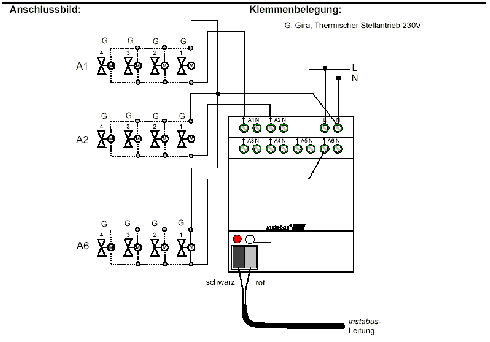
Wie kann der Neutralleiter von den Stellantrieben zum Heizungsaktor zurückgeführt werden, wenn nicht für jeden Ausgang des Heizungsaktors ein separater Neutralleiter vorgesehen wurde?

Antwort

Der Neutralleiter von den Stellantrieben kann zusammengefasst und dann an der N-Klemme der Spannungsversorgung für den Heizungsaktor angeschlossen werden (Schaltbild siehe Anhang).

Produkt

Instabus Heizungsaktor 6fach 0,05 A
Artikelnummer: 101800

Bild 01

Hat Ihnen die Antwort weitergeholfen?

Wenn wir Ihnen nicht weiterhelfen konnten, dann nehmen Sie doch Kontakt mit uns auf.