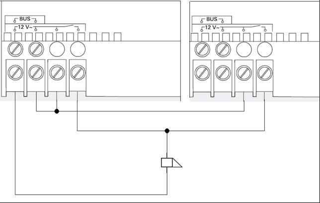
Ja, dies ist möglich, wenn 2 Anlagen einen Türöffner öffnen sollen.
Wenn wir Ihnen nicht weiterhelfen konnten, dann nehmen Sie doch Kontakt mit uns auf.
Zurück
Unsere Konfiguratoren unterstützen Sie bei Ihrer täglichen Arbeit – ob als Beratungstool gemeinsam mit Ihren Kunden oder als Zeitersparnis zur schnellen Erstellung eines Angebotes oder einer Stückliste.
Sie haben Fragen oder möchten sich beraten lassen? Dann kontaktieren Sie einfach direkt unsere Gira Ansprechpartner vor Ort.
Über den intuitiv bedienbaren Gira Projekt Assistenten können die Projekte in wenigen Schritten bequem parametriert werden. Sie können z.B. Logik- und Visualisierungsfunktionen für den Gira X1/L1 erstellen.